PLUG

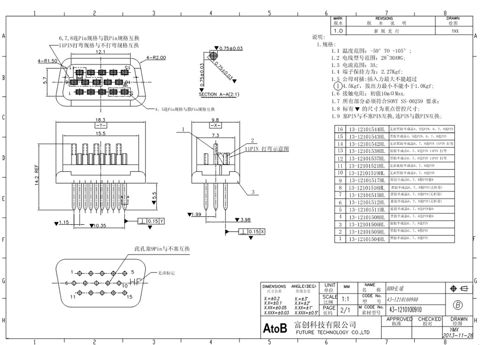
名称 : DB 15P/HDD 公头

型号 : 13-12100005HL,13-12101543HL-N

规格 : 二件式黑(或蓝)胶芯,4.5连PIN,6.7.8连pin,铁壳镀镍(或镀锡)

产品图片(Product Pictures) 技术资料(Technical Information)
  • 13-12100005HL,13-12101543HL-N-04.jpg

分享:

Copyright ©2015 AtoB 富创智能科技 粤ICP备12001573号