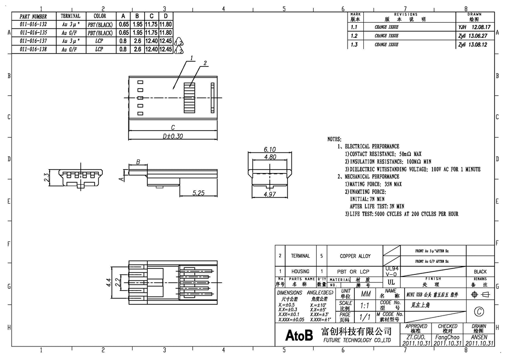
MINI USB

名称 : Mini USB PLUG 三件套

型号 : 011-016-132/020-006-083/020-006-246

规格 :

产品图片(Product Pictures) 技术资料(Technical Information)

分享:

Copyright ©2015 AtoB 富创智能科技 粤ICP备12001573号